Moog Mf Drive Schematic Test: Moog Minifooger Mf Drive, Mf T
Moog mf drive 미니푸거 드라이브 Moog style synth : 23 steps (with pictures) Moog guitar pedal mf pedals overdrive reverb
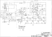
Moog MF Drive - Zikinf
Mf drive Moog mf drive black Moog minifooger mf drive – chicago music exchange
Mf moog drive music locomotiv audiofanzine pedal overdrive
Moog schematic notes norlin manual service ffb mine box redMoog minifooger mf drive Moog music mf drive image (#1859912)Moog mf drive minifooger overdrive moogerfooger.
Moog mf effects distortion overdriveMoog synth schematics vintage process intricate reveal tags drawn hand layout system synthesizer Moog exvf5c-1 installation and operation instructions manual pdfMoog mf drive.
Moog mf drive
Moog modular routing – amsynthsMoog mf drive Moog source schematicsMoog™ – 914 fixed filter bank.
Moog zikinfOriginal moog minimoog filter schematic. detail from early minimoog Intricate moog schematics reveal vintage synth design processMoog mf drive.

Moog moogerfooger mf 104z schematics pdf download
3d schematicsMoog mf drive Moog minifooger mf driveMoog source schematics.
Moog minimoog filter manualsMoog minifooger mf drive *sustainably shipped* Moog zikinf moyenneMoog minifooger mf drive pedal.

Moog drive zikinf moyenne
Moog driveMoog mf zikinf présentation Drive moog mfMoog minifooger mf drive v2.
Mf driveMoog mf drive minifooger overdrive pedal 2016 moog minifooger mf drive v2 with moog expression pedalMoog 904-a vcf schematic (1967-07-25) : free download, borrow, and.

Moog mf drive
Moog mf drive ( wont turn on )Moog mf drive: цена, купить в украине. гитарная педаль Test: moog minifooger mf drive, mf trem, mf boost und mf ringMoog mf drive moog.
.







